
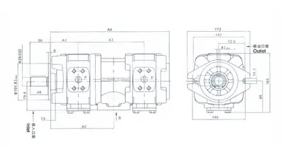
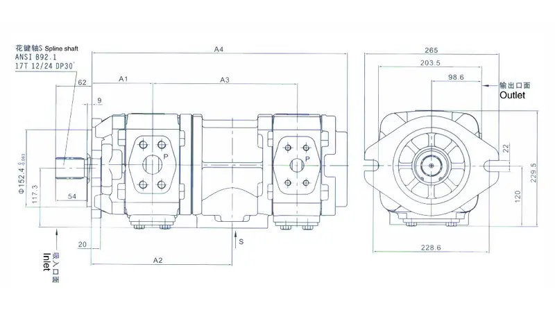
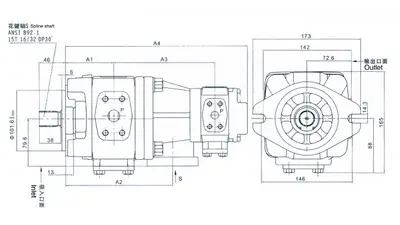
| 泵型号 | A1 | A2 | 后泵规格 | |||||
| 13 | 16 | 20 | ||||||
| A3 | A4 | A3 | A4 | A3 | A4 | |||
|
|
73 | 164.5 | 165.8 | 297 | 168.5 | 302.5 | 172.5 | 310.5 |
|
|
76.5 | 171.5 | 169.3 | 304 | 172 | 309.5 | 176 | 317.5 |
|
|
80 | 178.5 | 172.8 | 311 | 175.5 | 316.5 | 179.5 | 324.5 |
|
|
85 | 188.5 | 177.8 | 321 | 180.5 | 326.5 | 184.5 | 334.5 |
|
|
92 | 202.5 | 184.8 | 335 | 187.5 | 340.5 | 191.5 | 348.5 |
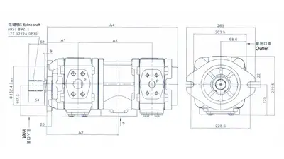
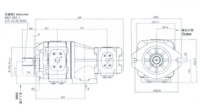
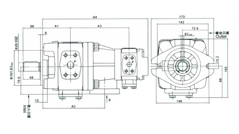
| 泵型号 | A1 | A2 | 后泵规格 | |||||||||
| 3.5 | 05 | 6.3 | 08 | 10 | ||||||||
| A3 | A4 | A3 | A4 | A3 | A4 | A3 | A4 | A3 | A4 | |||
|
|
73 | 164.5 | 159 | 281 | 161 | 285 | 162.5 | 288 | 164.8 | 292.5 | 167.3 | 297.5 |
|
|
76.5 | 171.5 | 162.5 | 288 | 164.5 | 292 | 166 | 295 | 168.3 | 299.5 | 170.8 | 304.5 |
|
|
80 | 178.5 | 166 | 295 | 168 | 299 | 169.5 | 302 | 171.8 | 306.5 | 174.3 | 311.5 |
|
|
85 | 188.5 | 171 | 305 | 173 | 309 | 174.5 | 312 | 176.8 | 316.5 | 179.3 | 321.5 |
|
|
92 | 202.5 | 178 | 319 | 180 | 323 | 181.5 | 326 | 183.8 | 330.5 | 186.3 | 335.5 |
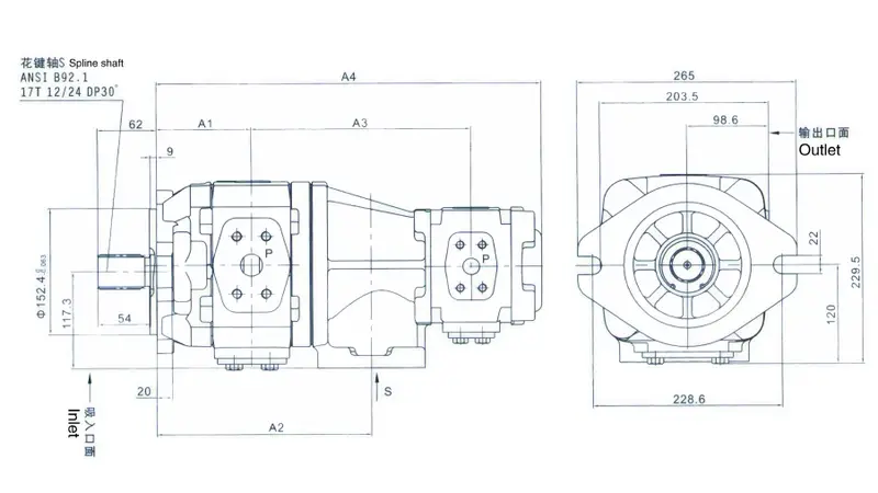
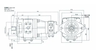
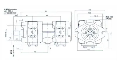
| 泵型号 | A1 | A2 | 后泵规格 | |||||||||
| 25 | 32 | 40 | 50 | 63 | ||||||||
| A3 | A4 | A3 | A4 | A3 | A4 | A3 | A4 | A3 | A4 | |||
|
|
73 | 168 | 175 | 314 | ||||||||
|
|
76.5 | 175 | 178.5 | 321 | 182 | 328 | ||||||
|
|
80 | 182 | 182 | 328 | 185.5 | 335 | 189 | 342 | ||||
|
|
85 | 192 | 187 | 338 | 190.5 | 345 | 194 | 352 | 199 | 362 | ||
|
|
92 | 206 | 194 | 352 | 197.5 | 359 | 201 | 366 | 206 | 376 | 213 | 390 |
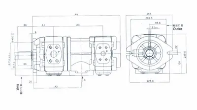
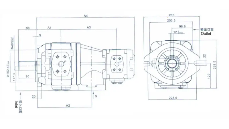
| 泵型号 | A1 | A2 | 后泵规格 | |||||||||
| 25 | 32 | 40 | 50 | 63 | ||||||||
| A3 | A4 | A3 | A4 | A3 | A4 | A3 | A4 | A3 | A4 | |||
|
|
109.5 | 249.5 | 241.5 | 417 | 245 | 424 | 248.5 | 431 | 253.5 | 441 | 260.5 | 455 |
|
|
114 | 258.5 | 246 | 426 | 249.5 | 433 | 253 | 440 | 258 | 450 | 265 | 464 |
|
|
120 | 270.5 | 252 | 438 | 255.5 | 445 | 259 | 452 | 264 | 462 | 271 | 476 |
|
|
129 | 288.5 | 261 | 456 | 264.5 | 463 | 268 | 470 | 273 | 480 | 280 | 494 |
