NOAH
  • 
  • 首页
  • 产品 +
  • 应用
  • 关于我们 +
  • 视频
  • 联系信息
  • 产品
  • 齿轮泵
  • HL系列内啮合齿轮泵
  • HL系列内啮合齿轮单泵
HL系列内啮合齿轮单泵
HL系列内啮合齿轮单泵
HL系列内啮合齿轮单泵
HL系列内啮合齿轮单泵
HL系列内啮合齿轮单泵
HL系列内啮合齿轮单泵
HL系列内啮合齿轮单泵
HL系列内啮合齿轮单泵
HL系列内啮合齿轮单泵
HL系列内啮合齿轮单泵
HL系列内啮合齿轮单泵
HL系列内啮合齿轮单泵
HL系列内啮合齿轮单泵
HL系列内啮合齿轮单泵
HL系列内啮合齿轮单泵
HL系列内啮合齿轮单泵

HL系列 内啮合齿轮单泵

  • 采用轴向和径向压力补偿设计,即使在低转速和低粘度下仍可保持较高的容积效率。
  • 超低的噪音,采用高强度铸铁和内部独特的消音设计,使噪音更低。
  • 流量及压力波动极小,在低速状况仍可保持稳定的流量和压力输出。
  • 高压力设计,最高使用压力可达到35MPa。
  • 转速范围宽广,最高转速可达3600r/min。
  • 吸油特性佳。
  • 对油液污染不敏感,使用寿命长。
  • 结构紧凑。
询价
规格参数表
系列号 规格 排量M1/r 工作压力(bar) 转速范围r/min 重量 (kg)
额定 最高压力 最大 最小
HL0 3.5 3.6 31.5 35 3600 400 4
5 5.2 31.5 35 3600 400 4.2
6.3 64 31.5 35 3600 400 4.4
8 8.2 31.5 35 3600 400 4.6
10 10.2 31.5 35 3600 400 4.8
13 13.3 31.5 35 3000 600 4.9
16 16.0 31.5 35 3000 600 5.2
20 20.0 25 30 3000 600 5.6
HL1 25 25.3 31.5 35 3000 200 14.5
32 32.7 31.5 35 3000 200 15
40 40.1 31.5 35 3000 200 16
50 50.7 31.5 35 3000 200 17
63 63.7 25 30 3000 200 18.5
HL2 80 81.4 31.5 35 3000 200 43.5
100 100.2 31.5 35 3000 200 45.5
125 125.3 31.5 35 3000 200 48
160 162.8 21 26 3000 200 52
  • HL0 内啮合齿轮单泵
  • HL1 内啮合齿轮单泵
  • HL2 内啮合齿轮单泵
HL0 内啮合齿轮单泵
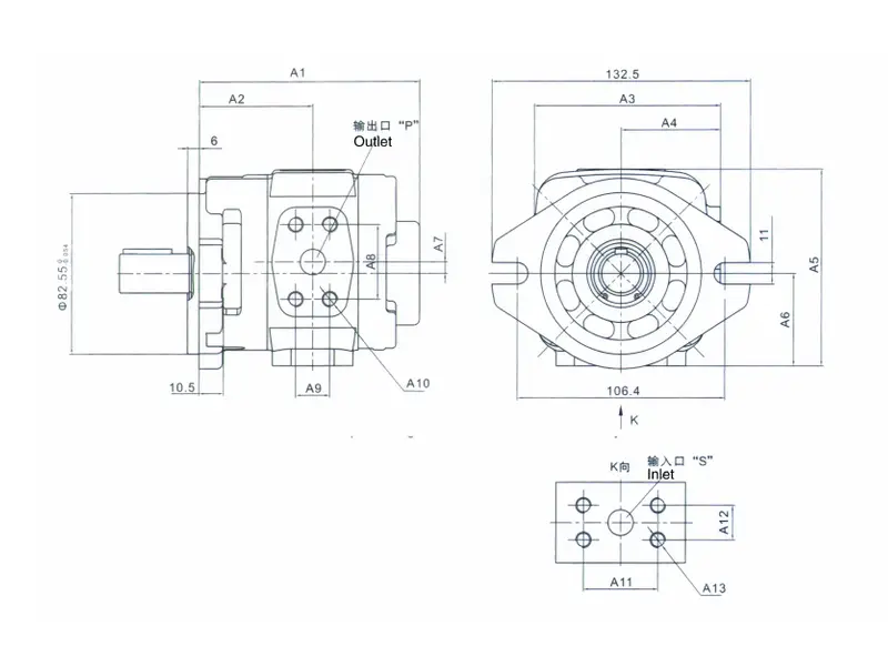
HL0: 规格参数表
泵型号 A1 A2 A3 A4 A5 A6 A7 P A8 A9 A10 S A11 A12 A13
HL0-3.5 101.5 52.5 96 51 100.6 47 5.8 Ø9 38.1 17.5 M8深13 Ø14 38.1 17.5 M8深13
HL0-05 105.5 54.5 96 51 100.6 47 5.8 Ø11 38.1 17.5 M8深13 Ø14 38.1 17.5 M8深13
HL0-6.3 108.5 56 96 51 100.6 47 5.8 Ø11 38.1 17.5 M8深13 Ø19 47.6 22.2 M10深15
HL0-08 113 58.25 96 51 100.6 47 5.8 Ø13 38.1 17.5 M8深13 Ø19 47.6 22.2 M10深15
HL0-10 118 60.75 96 51 100.6 47 6.2 Ø13 38.1 17.5 M8深13 Ø21 52.4 26.2 M10深15
HL0-13 117.5 59.25 99.6 49.8 106.6 55.8 6.2 Ø13 38.1 17.5 M8深13 Ø19 52.4 26.2 M10深15
HL0-16 123 62 99.6 49.8 106.6 55.8 6.2 Ø13 38.1 17.5 M8深13 Ø19 52.4 26.2 M10深15
HL0-20 131 66 99.6 49.8 106.6 55.8 6.2 Ø18 47.6 22.2 M10深15 Ø26 58.7 30.2 M10深15
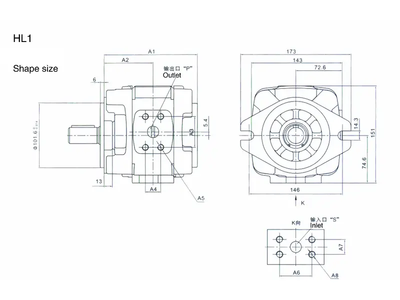
HL1 内啮合齿轮单泵
HL1: 规格参数表
泵型号 A1 A2 P A3 A4 A5 S A6 A7 A8
HL1-25 139 73 Ø18 47.6 22.2 M10深17 Ø32 58.7 30.2 M10深17
HL1-32 146 76.5 Ø18 47.6 22.2 M10深17 Ø32 58.7 30.2 M10深17
HL1-40 153 80 Ø20 52.4 26.2 M10深17 Ø32 58.7 30.2 M10深17
HL1-50 163 85 Ø20 52.4 26.2 M10深17 Ø32 58.7 30.2 M10深17
HL1-63 177 92 Ø20 52.4 26.2 M10深17 Ø32 58.7 30.2 M10深17
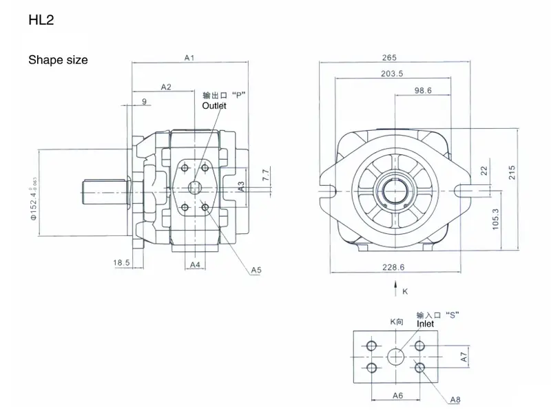
HL2 内啮合齿轮单泵
HL2: 规格参数表
泵型号 A1 A2 P A3 A4 A5 S A6 A7 A8
HL2-80 204 109.5 Ø32 69.9 35.7 M12深20 Ø50 77.8 42.9 M12深20
HL2-100 213 114 Ø32 69.9 35.7 M12深20 Ø50 77.8 42.9 M12深20
HL2-125 225 120 Ø38 79.4 36.5 M16深25 Ø63.5 88.9 50.8 M12深20
HL2-160 243 129 Ø38 79.4 36.5 M16深25 Ø76 106.4 61.9 M16深25
提交您的需求
邮箱: noay8hydraulic@gmail.com
相关产品
其他产品
  • HL系列内啮合齿轮双联泵
    HL系列内啮合齿轮双联泵
  • 高压齿轮泵
    高压齿轮泵
  • 双联高压齿轮泵
    双联高压齿轮泵
  • 超静音圆弧齿轮泵,US系列
    超静音圆弧齿轮泵,US系列
  • 叶片油泵
    叶片油泵
  • 油压专用电机
    油压专用电机
  • 液压阀
    液压阀
产品应用
产品应用
  • 挖掘机
    挖掘机
  • 装载机
    装载机
  • 推土机
    推土机
  • 起重机
    起重机
  • 矿山与冶金行业
    矿山与冶金行业
NOAH
液压产品
  • 齿轮泵
  • 叶片油泵
  • 油压专用电机
  • 液压阀
快速链接
  • 应用
  • 关于我们
  • 生产实力
  • 下载中心
  • 视频
液压元件制造商
  • noay8hydraulic@gmail.com
  • +86-18018069898
Supported by ETW International Inc. USA