NOAH
  • 
  • 首页
  • 产品 +
  • 应用
  • 关于我们 +
  • 视频
  • 联系信息
  • 产品
  • 叶片油泵
  • 可变容量叶片油泵
  • 中压可变容量叶片油泵
中压可变容量叶片油泵
  • 中压可变容量叶片油泵
  • 中压可变容量叶片油泵

HVP系列 中压可变容量叶片油泵

产品特点
  • “转轴间隙补偿”高压运转时,性能稳定、效率高。
  • “偏心柱塞”应答性快,启动、停止、负荷变动,动作灵敏。
  • 压力调整容易,稳定性高,响应快。
询价
规格参数表
型号 吐出能力
(1800rpm)
(L/min)
压力调整范围
(bar)
额定速度
(rpm)
最大 最小
HVP-30 30 35~140 1800 800
HVP-40 40 35~140 1800 800
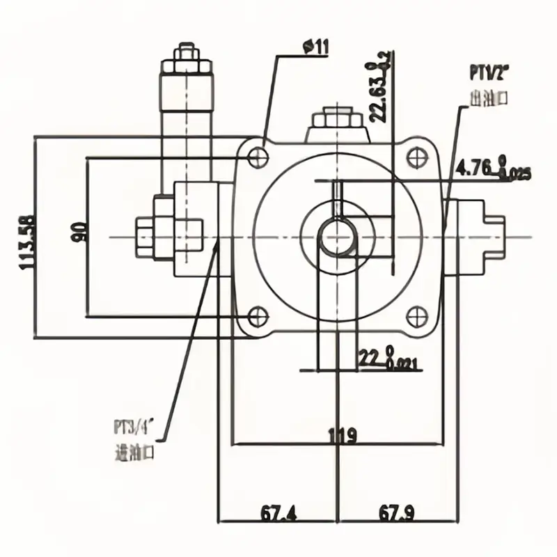
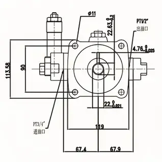
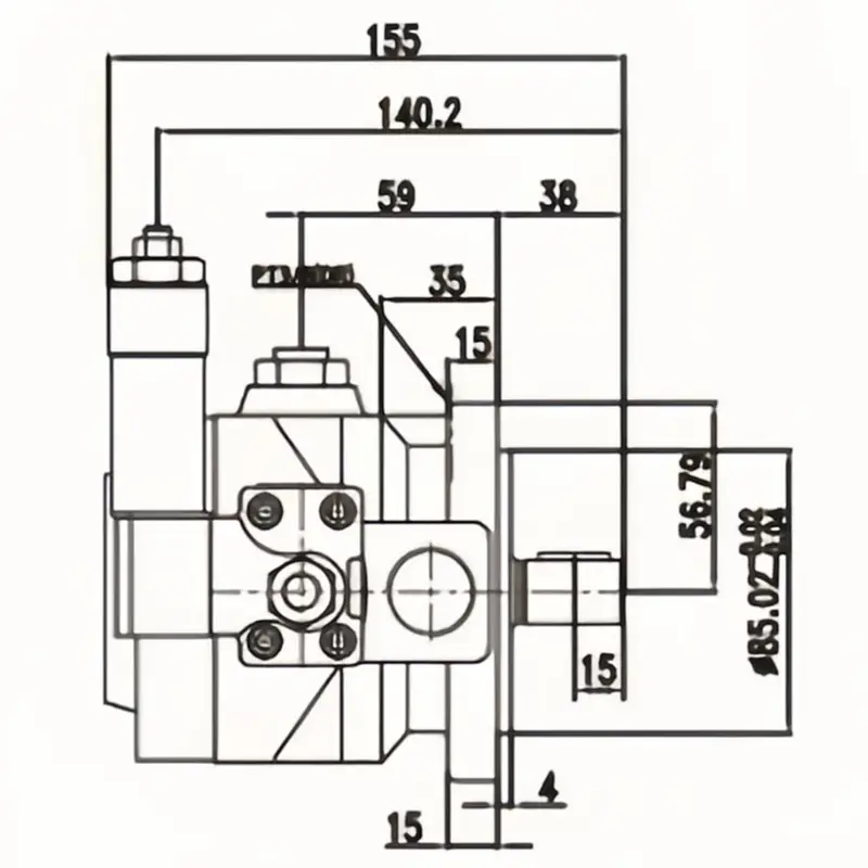
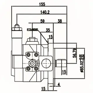
尺寸图
  • 中压可变容量叶片油泵
  • 中压可变容量叶片油泵
  • 中压可变容量叶片油泵
提交您的需求
邮箱: noay8hydraulic@gmail.com
相关产品
其他产品
  • 可变容量叶片油泵&齿轮油泵
    可变容量叶片油泵&齿轮油泵
  • 双联式固定容量叶片油泵
    双联式固定容量叶片油泵
  • 固定容量叶片油泵&齿轮油泵
    固定容量叶片油泵&齿轮油泵
  • 高低压固定容量叶片油泵
    高低压固定容量叶片油泵
  • 油压专用电机
    油压专用电机
  • 液压阀
    液压阀
  • 齿轮泵
    齿轮泵
产品应用
产品应用
  • 挖掘机
    挖掘机
  • 装载机
    装载机
  • 推土机
    推土机
  • 起重机
    起重机
  • 矿山与冶金行业
    矿山与冶金行业
NOAH
液压产品
  • 齿轮泵
  • 叶片油泵
  • 油压专用电机
  • 液压阀
快速链接
  • 应用
  • 关于我们
  • 生产实力
  • 下载中心
  • 视频
液压元件制造商
  • noay8hydraulic@gmail.com
  • +86-18018069898
Supported by ETW International Inc. USA